Der Artikel beschreibt eine Lösung, um 4 Schalter oder Taster über nur 2 (3) (anstatt 4 (5)) Leitungsadern mit einer Verteilung zu verbinden, in der sie vier Relais oder Eltakos steuern. Siehe auch Komfort mit Eltakos.
Der Anlass – ein Unglück
Für vier Taster an einer entfernten Wand war ein 7-adriges NYM-Kabel von der in Komfort mit Eltakos beschrieben Verteilung zu einer Doppel-UP-Dose in der abgehängten Decke verlegt worden: 7 Adern - 1 PE - 1 Reserve waren die 5 für standardmäßig erforderlichen Leitungsdrähte.
Bei der Montage der Deckenheizung wurde eine Schraube an der Lattung
vorbei in dieses Kabel getrieben; sie verband 5 Adern miteinander. Als das
entdeckt und die Stelle des Schadens lokalisiert wurde, war die Deckenheizung
bereits verputzt, befüllt und in Betrieb.
Eine Reparatur der Leitung mit vertretbarem Aufwand und Risiko war nicht
mehr möglich. Aber auch ohne diesen unglücklichen Anlass kommt man
gelegentlich in die Situation, dass für eine gewünschte Anzahl von Schaltern
oder Tastern die Zahl der Adern nicht reicht.

Lösungsansatz
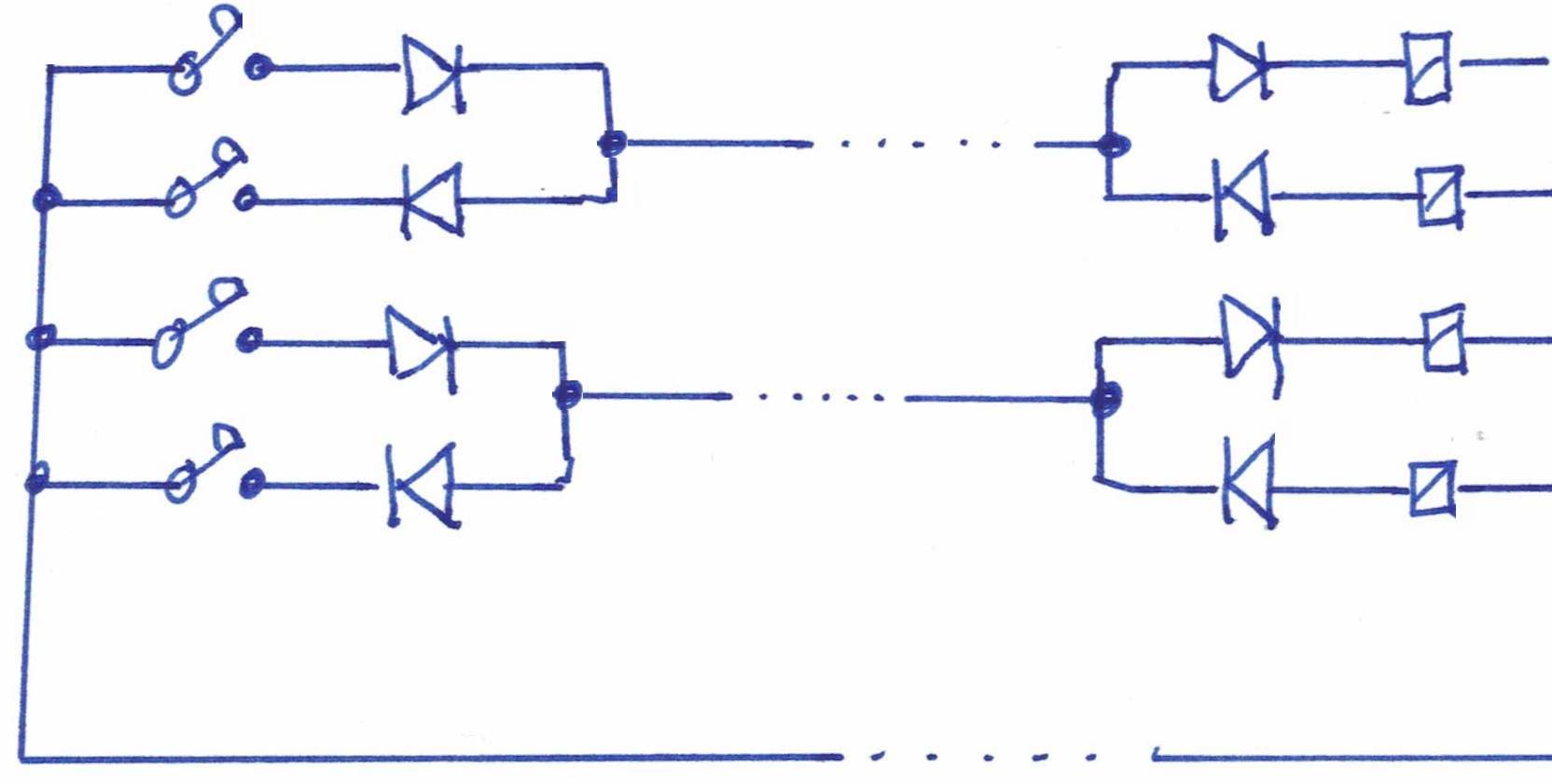
Bei Wechselspannung liegt es nahe, jeder Information (oder jedem Verbraucher) eine Halbwelle auf der Leitung zuzuordnen. Das Bild rechts zeigt dies für 4 Taster und Relais.
Nun zeigt es sich, dass moderne Kleinrelais vorteilhafterweise so geringe
bewegte Massen haben, dass sie bei einer solchen Halbwellenspeisung 50 mal
pro Sekunde klappern. Dies trifft auch auf Eltako-Stromstoßschalter und
-Relais zu.
Hinzu kommt, dass Relais für 230V~ bei einer solchen Gleichstromspeisung
Schaden nehmen würden, selbst wenn es für Stromstoßschalter i.A. nur
kurzzeitig wäre.
Hier sind also (2 oder 4) Vorwiderstände und 4 Siebkondensatoren (einer pro Relais) erforderlich. Dies für 230V~-Relais direkt zu machen ist aufwändig und voluminös. Es birgt zusätzliche Gefahren durch bei Unterbrechungen auf bis zu 320V= aufgeladene Kondensatoren. Und bei der vorliegenden Anwendung auch gegebenen Ansteuerung derselben Eltakos mit Wechselspannung verbietet sich das parallel Schalten eines Siebkondensators selbst mit einer zusätzlichen Entkopplungsdiode.
Mit Kleinspannung und einer zusätzlichen Ebene von über Transistoren
angesteuerte Relais umgeht man all diese Hindernisse.
Relaismodule
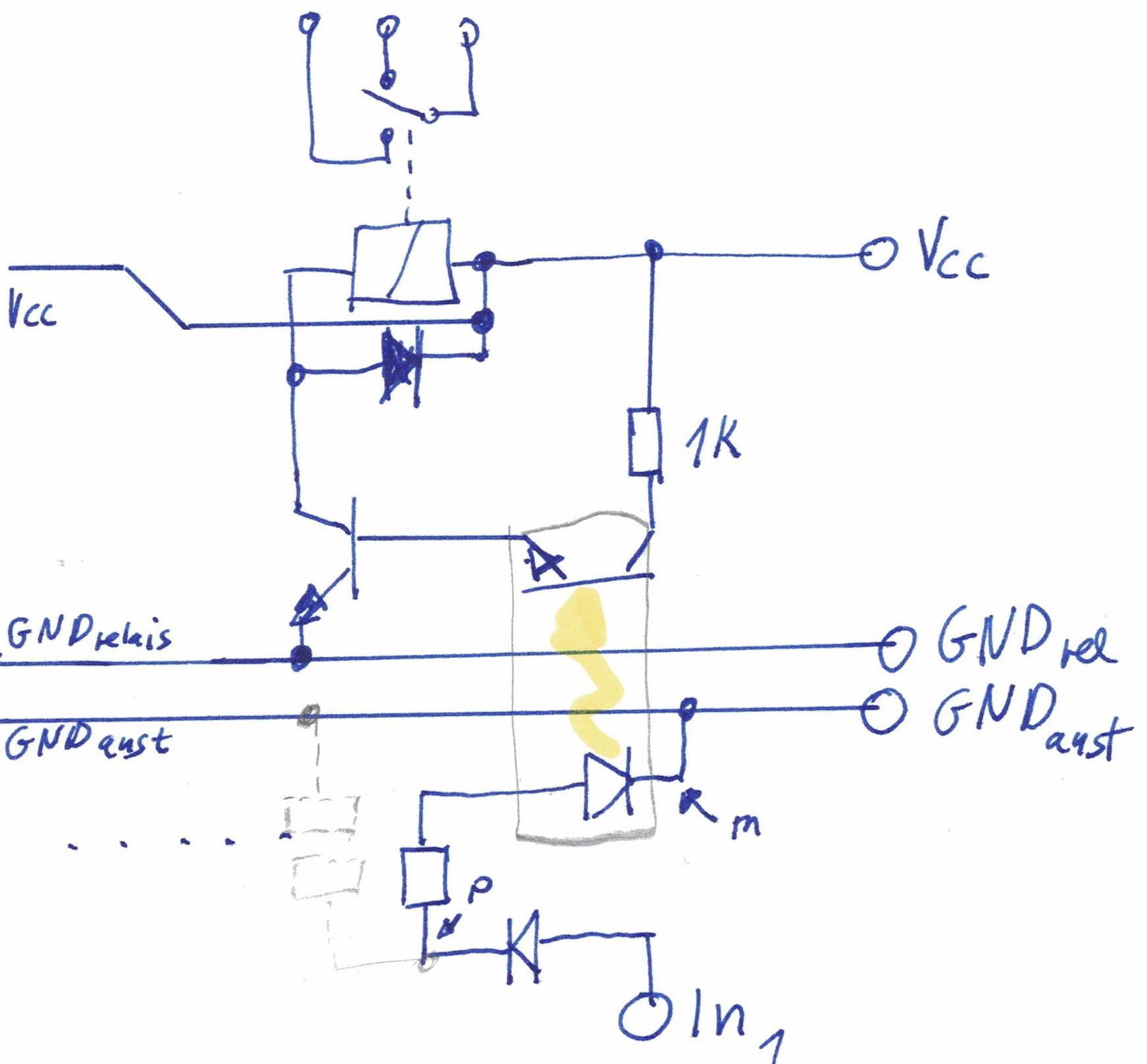
Es gibt vielfältige und preiswerte Angebote kompakter Relaismodule für Kleinspannung (5V, 12V etc.) und Ansteuerung über Optokoppler. Die übliche Schaltung für ein Relais zeigt das Diagramm rechts. Die Module gibt es mit einem oder mehreren – teilweise bis zu 12 oder 16 – Relais. Für unseren Fall wurde ein 5V-Modul mit vier Relais 1*Um eingesetzt – Preis 7€.
Der gemeinsame Nachteil bei allen gefundenen Angeboten ist der gemeinsame Minus-Anschluss – im Diagram Gndanst genannt – der Ansteuerung über die Optokoppler. Mit diesem Designfehler geht die Möglichkeit der auch untereinander potentialgetrennten Ansteuerung und mit unterschiedlicher Polarität verloren.
Letzteres wird hier gebraucht. Zwei Trennstellen und ein paar Brücken führen zu der gewünschten Verschaltung der Optokoppler-Ansteuerung. Die vier Anzeige-LEDs des Relaismoduls ersetzen die vier Eingangsdioden rechts im ersten Diagram. Mit jeweils einem kleinen Elko 10µF,16V.Minus an Kathode der Leuchtdiode des Optokopplers (angedeutet als m) und Plus an der Kathode der Anzeige-LED (angedeutet als p) gibt es kein 50Hz-Klappern.
Im unteren linken Bild sind die Modifikationen Zusatz-Elkos und gemeinsamer
Vorwiderstand erkennbar. Das rechte Bild zeigt die Integration im
Schaltschrank: Mit den Arbeitskontakten
(NO) werden die betreffenden Eltakos auf
der Hutschiene darüber ganz normal mit 230V~ angesteuert.
Kommentare
Möchten Sie einen Kommentar abgeben — auch gerne auf Englisch? Besuchen Sie die issue-Seite auf GitHub.Zum Kommentieren benötigen Sie ein GitHub-Konto.
Dieser Beitrag hat einen gemeinsamen Kommentarbereich mit ./eclipDic_de.html.








